Topography of Tears
"You have numbered my wanderings: put thou my tears into thy bottle: are they not in Your book?" (Psalm 56.8).
And it seems, not only counted, labeled them too ...
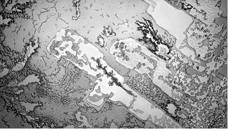
A Rose-Lynn Fisher day questioned whether your tears of sorrow would appear difference compared with their tears of joy. Then she began an investigation using a microscope.
She studied 100 different "types" of tears and found that the basal tears (Are those your body produces to lubricate our eyes) are dramatically different from the tears that occur when peeled onions. The tears that arise from the laughter, do not seem even remotely, with the tears of sorrow. As an ocean water drop each tiny tear drop carries a microcosm of human experience. His project is called the topography of Tears.
Topografia das Lágrimas
"You have numbered my wanderings: put thou my tears into thy bottle: are they not in Your book?" (Psalm 56.8).
And it seems, not only counted, labeled them too ...
A Rose-Lynn Fisher day questioned whether your tears of sorrow would appear difference compared with their tears of joy. Then she began an investigation using a microscope.
She studied 100 different "types" of tears and found that the basal tears (Are those your body produces to lubricate our eyes) are dramatically different from the tears that occur when peeled onions. The tears that arise from the laughter, do not seem even remotely, with the tears of sorrow. As an ocean water drop each tiny tear drop carries a microcosm of human experience. His project is called the topography of Tears.
Topografia das Lágrimas
"Tu contastes as minhas vagueações; põe as minhas lágrimas no Teu Odre; não estão elas no Teu Livro?" (Sl 56.8).
E pelo que parece, não só as contou, Classificou-as também...
Um dia Rose-Lynn Fisher questionou se suas lágrimas de tristeza aparentariam diferença comparadas com suas lágrimas de alegria., então ela iniciou uma investigação usando um microscópio.
Ela estudou 100 diferentes "tipos" de lágrimas e constatou que as lágrimas basais (São aquelas que nosso corpo produz para lubrificar nossos olhos) são dramaticamente diferentes das lágrimas que ocorrem quando descascamos cebolas. As lágrimas que surgem a partir da gargalhada, não aparentam, nem de longe, com as lágrimas de tristeza. Como uma gota de água do oceano cada minúscula gota de lágrima carrega um microcosmo da experiência humana. Seu projeto é chamado a topografia das Lágrimas.
Lágrimas de rir até chorar:
Laugh
Laugh
Lágrimas inesperadas (Tears of Change) – Que ocorrem com uma lembrança, uma experiência, uma musica, quando ganha um presente, escuta uma frase, após certa cena, com pessoas, filhos, etc.
That occur with a memory, an experience, a song, when he wins this one, listening to a sentence after a certain scene, with people, children, etc.
That occur with a memory, an experience, a song, when he wins this one, listening to a sentence after a certain scene, with people, children, etc.
Lágrimas de tristeza - Sad
Lágrimas de cebola - Onion

Joseph Stromberg Institute Smithsonian Arts and Sciences Faculty explained that there are three main types of tears: basal, reflex and psychic (triggered by emotions). All the tears contain organic substances, including oils, enzymes and antibodies and are suspended in salt water. Different types of tears have distinct molecules. Emotional tears have protein-based hormones, including neurotransmitter leucine enkephalin, which is a natural analgesic that is released when we are stressed. Furthermore, the microscope views tears have also crystallized salts and the complex composition can take different forms. Thus, even psychic tears, with similar chemical composition, can be quite different. Fisher said: "There are several chemical variables to be considered beyond the physical, viscosity, evaporation rate and also the microscope settings."
Joseph Stromberg do Instituto a Faculdade Smithsonian de Artes e Ciências explicou que existem três tipos principais de lágrimas: basais, reflexas e psíquicas (desencadeada por emoções). Todas as lágrimas contêm substâncias orgânicas, incluindo óleos, anticorpos e enzimas e são suspensas em água salgada. Diferentes tipos de lágrimas têm moléculas distintas. Lágrimas emocionais têm hormônios à base de proteínas, incluindo o neuro-transmissor encefalina leucina, que é um analgésico natural que é liberada quando estamos estressados. Além disso, as lágrimas vistas ao microscópio possuem também sais cristalizados e essa composição complexa pode levar a diferentes formas. Assim, até mesmo lágrimas psíquicas, com composição química similar, podem ser bastante diferentes. Fisher disse: "Existem diversas variáveis químicas a serem consideradas além das físicas, a viscosidade, a taxa de evaporação e também as configurações do microscópio."
Lágrimas Basais -
Lágrimas de um forte evento emocional inesperado, (Tears of timeless reunion)
Lágrimas do começo e do fim de uma relação, projeto
Tears start and end of a relationship, project
Tears start and end of a relationship, project
Tears of momentum, redirected
Tears of release, presentation.
Although it may mean a physical release, most often release is used in order to launch a product. In the context of the song, when an artist writes a CD or DVD, it chooses one day to do the release (release) of their work.
Tears of release – Lágrimas de liberação, apresentação.
Although it may mean a physical release, most often release is used in order to launch a product. In the context of the song, when an artist writes a CD or DVD, it chooses one day to do the release (release) of their work.
Tears of release – Lágrimas de liberação, apresentação.
Apesar de poder significar uma libertação física, a maior parte das vezes release é usado no sentido de lançamento de um determinado produto. No contexto da música, quando um artista grava um CD ou DVD, ele escolhe um dia para fazer o lançamento (release) do seu trabalho.
Lágrimas de possibilidade e esperança - Hope
Lágrimas de alegria e júbilo num momento de transição – Joy
(vestibular, vitória em um jogo, casamento.)
Lágrimas de Recordação - Tears for remembrance
Como flocos de neve e as impressões digitais, as lágrimas não são iguais.
Credit: Rose-Lynn Fisher












Nenhum comentário:
Postar um comentário